50661673 - 1577 Round Star Cutterheads
Technical data
Description
Machine / Application
- spindle moulder
- for profiling of solid woods and wood-based panels
Design
- cutting edges parallel to cutter axis
- cutting material: HW HL Solid 20
- high-tensile aluminum body
- chip limiter design
Advantages
Notes
- application against feed
| Feature | Value | |
|---|---|---|
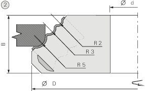
| R = Radius | 2, 3, 5 [mm] | |
| Ø D = Cutting circle diameter | 140 [mm] | |
| B = Cutting width | 32 [mm] | |
| Ø d = Bore diameter | 30 [mm] | |
| Z = No. of teeth | 2 | |
| Type = Type | 2 | |
| nmin-nmax = RPM range | 5400-6400 [min-1] | |
| L = Delivery Status | ||
|
Dimensions entered are not listed?
available from stock |
||
Turnover Knives
| Product picture | Description | Design | Ident-No. | ||
|---|---|---|---|---|---|
| Profile Knives KB19 | 25x16x2.0N R=Ø2, 3, 5 | 50820002 | |||
|
available from stock |
|||||


